SENSOR INDUCTIVO
NBB15-30GM30-E3
Ventajas clave
- 15 mm enrasado
- Rango de conmutación elevado
- Rango de temperatura ampliado -40 ... +85 °C
- Amplio rango de tensión de funcionamiento
- Flexibilidad de uso con múltiples posibilidades de montaje



Captura de pantalla 2025-08-25 060615
Captura de pantalla 2025-08-25 103746
Captura de pantalla 2025-08-25 103802



| Función de conmutación | Normalmente cerrado (NC) | |
| Tipo de salida | PNP | |
| Distancia de conmutación de medición | sn | 15 mm |
| Instalación | enrasado | |
| Polaridad de salida | CC | |
| Distancia de conmutación asegurada | sa | 0 … 12,15 mm |
| Elementos de manejo | Acero estructural, p. ej. 1.0037, S235JR (anteriormente St37-2) 45 mm x 45 mm x 1 mm | |
| Factor de reducción rAl | 0,45 | |
| Factor de reducción rCu | 0,43 | |
| Factor de reducción r1.4301 | 0,73 | |
| Factor de reducción rMs | 0,53 | |
| Tipo de salida | 3-hilos |
| Tensión de trabajo | UB | 6 … 36 V |
| Frecuencia de conmutación | f | 0 … 550 Hz |
| Histéresis | H | tip. 5 % |
| Protección contra la inversión de polaridad | protegido | |
| Protección contra cortocircuito | sincronizado | |
| Caída de tensión | Ud | ≤ 1 V |
| Corriente de trabajo | IL | 0 … 200 mA |
| Corriente residual | Ir | máx. 20 µA |
| Corriente en vacío | I0 | ≤ 10 mA |
| Retardo a la disponibilidad | tv | ≤ 10 ms |
| Indicación del estado de conmutación | LED, amarillo |
| Tipo de conexión | Cable | |||||||||||||||||||||||||
| Material de la carcasa | latón , bronce blanco recubierto | |||||||||||||||||||||||||
| Superficie frontal | PBT , verde | |||||||||||||||||||||||||
| Grado de protección | IP65 / IP66 / IP67 / IP68 | |||||||||||||||||||||||||
| Cable | ||||||||||||||||||||||||||
| ||||||||||||||||||||||||||
| Masa | 159 g | |||||||||||||||||||||||||
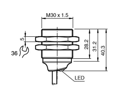
| Dimensiones | ||||||||||||||||||||||||||
| ||||||||||||||||||||||||||
| Fijación | con Tuercas M30 | |||||||||||||||||||||||||
| Par de apriete | ≤ 30 Nm | |||||||||||||||||||||||||
| Volumen de suministro | Suministro con 2 tuercas con dentado de bloqueo |